70W Stereo
Vollverstärker mit OP's und Leistungs OP's
Die wichtigste
Grundlage beim Design solcher Anwendungen stellt das
Studium der Herstellerdatenblätter dar. In diesem Fall hauptsächlich
der Firma Burr-Brown. Ein weiterer wichtiger Punkt sind
Angaben des Herstellerdatenblatts, die sich auf die
Anordnung auf der Platine beziehen. Um parasitäre Störstrahlungen,
übersprechen von Leitungen und Noise zu begegnen. Auch
ist auf eine Sternpunktfömige Masseführung zu achten.
Der Frequenzgang ist doppelt so hoch zu wählen, also 40
kHz.
Das Klangregelteil ist eine Standardschaltung wie es
auch in einem Fachbuch vom Europa Verlag zu finden ist.
Ansonsten hab ich rauscharme OP's verwendet und noch den
Aufwand mit dem Bipolarnetzteil betrieben. Standard-
Festspannungsregler hätten's wohl auch getan.
Als Poti's wurden gekapselte ALPS Potentiometer verwendet.
Ein Elektroniker/in kann sich wohl den Rest der
Schaltung selbst erklären.
Viel Freude beim Nachbau wünscht Euch Otto
Lampmann.

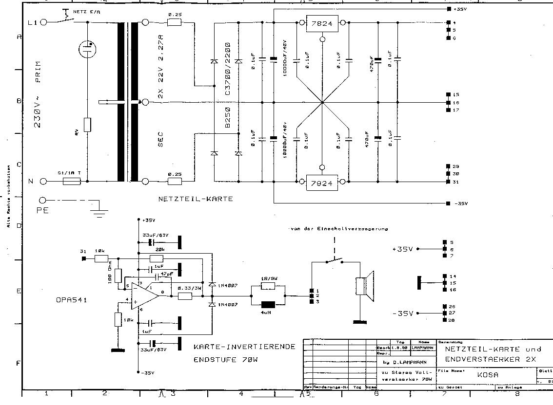
Abb1: Das Netzteil.
Die
Orginalgröße der Grafik beträgt 1134x832 Pixel.
Rechtsklick auf Grafik und "Speichern unter..."
wählen für Download. 22 KByte.

Abb2: Doppelspannungskonstanter
Die
Orginalgröße der Grafik beträgt 1741x1230 Pixel.
Rechtsklick auf Grafik und "Speichern unter..."
wählen für Download. 28 KByte.

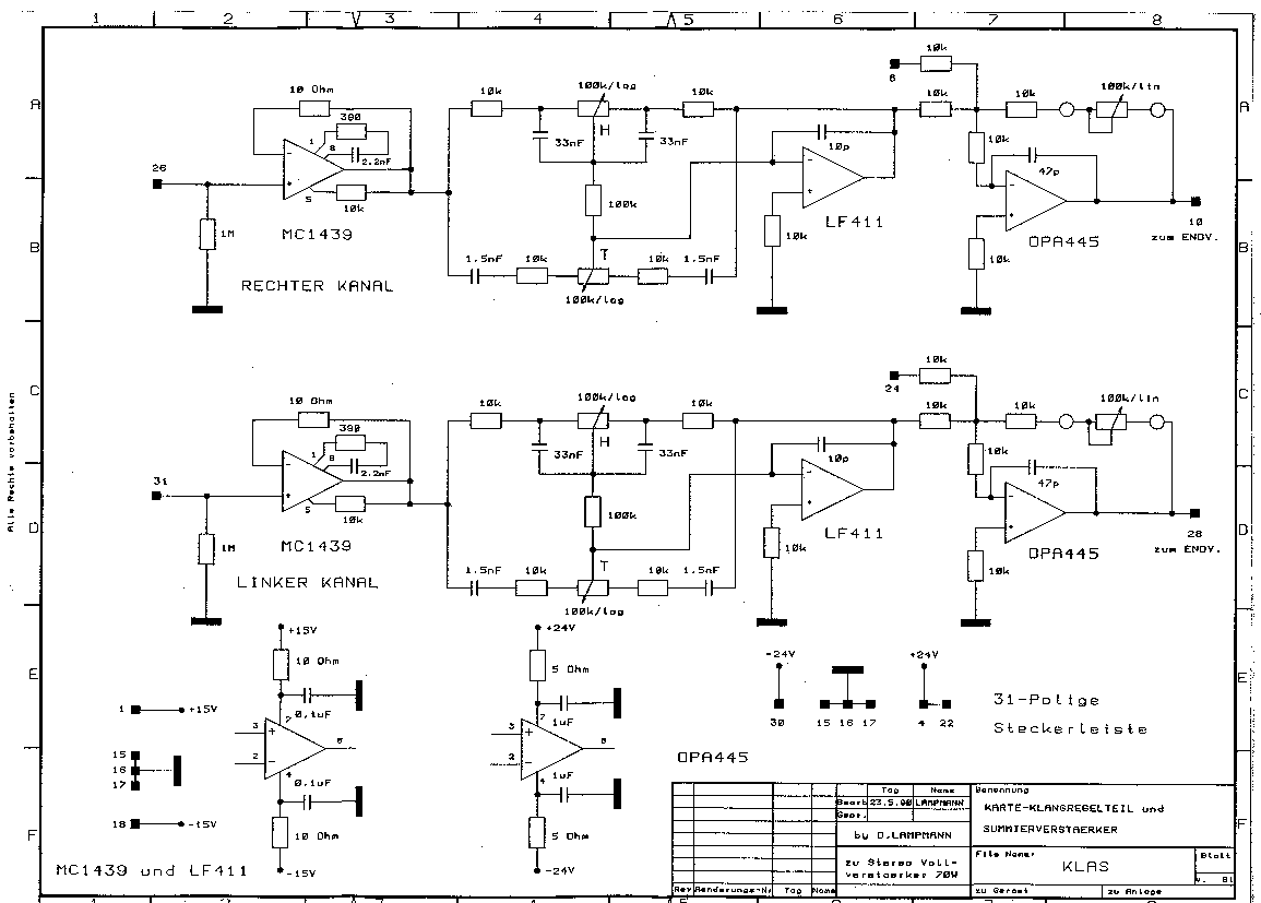
Abb3: Klangregelteil & Summierverstärker
Die
Orginalgröße der Grafik beträgt 1155x827 Pixel.
Rechtsklick auf Grafik und "Speichern unter..."
wählen für Download. 23 KByte.

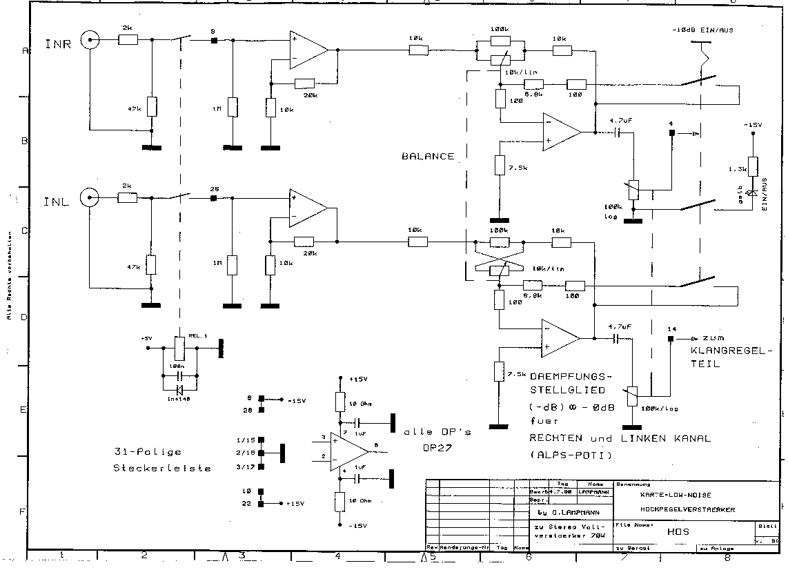
Abb4: Low-Noise & Hochpegelverstärker
Die
Orginalgröße der Grafik beträgt 1142x826 Pixel.
Rechtsklick auf Grafik und "Speichern unter..."
wählen für Download. 21 KByte.
|